محصولات

محصولات

پیوند فیوز پیچ RL1 380V 60A
  • پیوند فیوز پیچ RL1 380V 60Aپیوند فیوز پیچ RL1 380V 60A

پیوند فیوز پیچ RL1 380V 60A

پیوند فیوز پیچ RL1 380V 60A بخش مهمی برای نصب و پشتیبانی از فیوز پیچ است. پایه فیوز معمولاً از مواد با درجه حرارت بالا و مقاوم در برابر خوردگی ساخته می شود تا اطمینان حاصل شود که فیوز با خیال راحت می تواند روی پایه نصب شود.
طراحی و انتخاب مواد پیچ ​​در پایه فیوز نقش مهمی در عملکرد و ایمنی فیوز دارد. هنگام انتخاب و نصب پیوند فیوز پیچ RL1 380V 60A ، دوام ، پایداری و سازگاری آن باید در نظر گرفته شود تا از عملکرد عادی فیوز اطمینان حاصل شود و در صورت لزوم محافظت کند.

مقدمه

RL1 380V 60A FUSE LINK LINK RL سری از پایه های فیوز از حامل فیوز و حامی تشکیل شده است. فیوز را در حامل قرار دهید ، که برای ایجاد یک واحد فیوز پیچ کامل به طرف حامی پیچ می شود. یک پنجره شیشه ای شفاف در بالای حامل فیوز وجود دارد که از طریق آن می توان وضعیت فیوز را به راحتی مشاهده کرد.

می توان آن را نصب کرد یا راه آهن نصب شده است. RL1 380V 60A حامیان پیوند فیوز برای D01-D03 ، D ~ d فیوزهای کاربردی II IIIkinds (GG ، AM ، AR) در خطوط برقی (نوع GG) قادر به کار در زیر گرمای ناشی از جریان و آینده نگر و آینده نگر در سیستم کوتاه مدت تأثیرگذار تا 114 ولتاژ تا 50ka است. فرکانس کار 50Hz AC ؛ دارای امتیاز 200A فعلی. سازگار با GB13539.1 ، GB13539.3 ، GB13539.5 و IEC 269-1 ، IEC269-3 استفاده از RO21 RL6-25 RL93 5SB 5SD.

ویژگی ها و مزایا

پیوند فیوز پیچ RL1 380V 60A پس از نصب تماس با و جوشکاری یا جوشکاری پس از نصب حامل تماس و فیوز تشکیل می شود که می تواند یک ساختار چند فاز را تشکیل دهد.

نوع باز پشتیبانی منفرد عملکرد منبع تغذیه جدا شده است.
نصب آسان و ضریب ایمنی بالا.

این دستگاه به دستگاه نوری شاخص مجهز است تا اطمینان حاصل شود که هنگام قطع پیوند فیوز ، هیچ گونه سوءاستفاده ای رخ نمی دهد.

کاربرد

ارتفاع نباید از 2000 متر تجاوز کند ،
دمای هوای محیط نباید از+40 ℃ ، پایین تر از -5 ℃ باشد ، و میانگین دمای طی 24 ساعت نباید از+35 تجاوز کند
هوا در محل نصب باید تمیز باشد و رطوبت نسبی جو نباید از 50 ٪ تجاوز کند وقتی که دمای بالا * 40 ℃ ، * میانگین * رطوبت نسبی بالا باید 90 ٪ باشد که میانگین دمای ماه مرطوب 25 باشد. با توجه به تغییر دما.

ویژگی های کلیدی

ویژگی های خاص صنعت

ظرفیت شکستن عالی

سایر خصوصیات

مکان مبداء ژجیانگ ، چین
نام تجاری جنینگونگ
شماره مدل RL1-60
استانداردهای ایمنی IEC
مارک جنینگونگ
نام محصول فیوز نوع پیچ
ولتاژ دارای امتیاز 380 ولت
جریان فعلی 60a
گواهی CE ، CCC
رنگ سفید
خدمت ODM / OEM
اندازه فیوز اندازه سفارشی
تاریخچه سازنده 40+سال
بسته بندی کردن بسته بندی استاندارد

بسته بندی و تحویل

جزئیات بسته بندی: بسته: 2pcs (داخلی) ، 72pcs (CTN).
اندازه کارتن: 385*335*260mm.
وزن: 330 گرم در رایانه.
طراحی بسته بندی شده بسته بندی شده پذیرفته شده است.
بندر بندر نینگبو یا هر بندر دیگری در چین
توانایی عرضه 100000 قطعه/قطعه در ماه

زمان پیشرو

مقدار (قطعات) 1-20 21-100 101-1000 > 1000
زمان سرب (روزها) 7 10 15 مذاکره شود

نمایش محصولات

RL1 380V 60A Screw Fuse LinkRL1 380V 60A Screw Fuse LinkRL1 380V 60A Screw Fuse LinkRL1 380V 60A Screw Fuse LinkRL1 380V 60A Screw Fuse Link

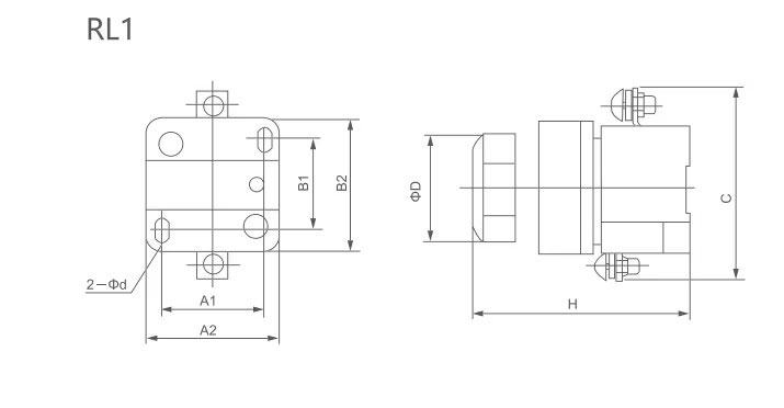
مشخصات

مدل بعد (میلی متر)
A1 A2 B1 B2 C H φd φd
RL1-15 24 34 27 41 65 60 33 5
RL1-60 33.5 55 40 55 78 75 47 6
RL1-100 45 66 53 72 118 105 67 8
RL1-200 64 87 64 87 154 115 83 10

مجوز

RL1 380V 60A Screw Fuse Link

تگ های داغ: پیوند فیوز پیچ RL1 380V 60A
ارسال استعلام
اطلاعات تماس
  • نشانی

    شماره 19 ، جاده شانشی جنوبی ، منطقه صنعتی Xinguang ، شهر لیوشی ، شهر یوفینگ ، شهر ونزو ، استان ژجیانگ ، چین

  • پست الکترونیک

    vickyxu@zhrdq.com

برای پرس و جو در مورد فیوز DC فتوولتائیک ، فیوز استوانه ای ، فیوز یا لیست قیمت BS88 BOLT SQUARE ، لطفاً ایمیل خود را به ما واگذار کنید و ما طی 24 ساعت در تماس خواهیم بود.
X
ما از کوکی ها استفاده می کنیم تا تجربه مرور بهتری به شما ارائه دهیم، ترافیک سایت را تجزیه و تحلیل کنیم و محتوا را شخصی سازی کنیم. با استفاده از این سایت، شما با استفاده ما از کوکی ها موافقت می کنید. سیاست حفظ حریم خصوصی
رد کردن قبول کنید